|
|
CPC ¹Ì´Ï¾îÃÄ LM °¡À̵å
|
Á¦Ç°¼Ò°³ : LM °¡À̵å > MR Miniature Linear Guide Series |
|
|
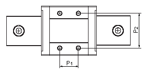
¢º MR ¹Ì´Ï¾îÃÄ LM °¡ÀÌµå ½Ã¸®Áî
|
| 1. MR-M Series |
| 
|
|

|
|
|
|
Çü ¹ø
|
Rail Dimensions (mm)
|
Block Dimensions(mm)
|
±âº»Á¤°ÝÇÏÁß
|
|
H
|
W2
|
W1
|
H1
|
P
|
D x d x g1
|
W
|
L
|
L1
|
P1
|
P2
|
E
|
h2
|
M x g2
|
S
|
T
|
C(N)
|
Co(N)
|
|
MR 15ML
|
16
|
8.5
|
15
|
9.5
|
40
|
6 x 3.5 x 4.5
|
32
|
60.1
|
44
|
25
|
25
|
3.6
|
12
|
M3 x 5.5
|
2.8
|
4.3
|
5350
|
9080
|
|
MR 15MN
|
16
|
8.5
|
15
|
9.5
|
40
|
6 x 3.5 x4.5
|
32
|
43.5
|
27.2
|
20
|
25
|
3.6
|
12
|
M3 x 5.5
|
2.8
|
4.3
|
3810
|
5590
|
|
MR 12ML
|
13
|
7.5
|
12
|
7.5
|
25
|
6 x 3.5 x4.5
|
27
|
47.6
|
34
|
20
|
20
|
-
|
10
|
M3 x 3.5
|
2.6
|
4.3
|
3240
|
5630
|
|
MR 12MN
|
13
|
7.5
|
12
|
7.5
|
25
|
6 x 3.5 x4.5
|
27
|
35.4
|
22
|
15
|
20
|
-
|
10
|
M3 x 3.5
|
2.6
|
4.3
|
2308
|
3465
|
|
MR 9ML
|
10
|
5.5
|
9
|
5.5
|
20
|
6 x 3.5 x3.5
|
20
|
40.9
|
30.8
|
16
|
15
|
-
|
7.8
|
M3 x 2.8
|
2.2
|
3.3
|
2135
|
3880
|
|
MR 9MN
|
10
|
5.5
|
9
|
5.5
|
20
|
6 x 3.5 x3.5
|
20
|
30.8
|
20.5
|
10
|
15
|
-
|
7.8
|
M3 x 2.8
|
2.2
|
3.3
|
1570
|
2495
|
|
MR 7ML
|
8
|
5
|
7
|
4.7
|
15
|
4.2 x 2.4 x 2.3
|
17
|
32.4
|
23
|
13
|
12
|
-
|
6.5
|
M2 x 2.5
|
1.7
|
2.8
|
1310
|
2440
|
|
MR 7MN
|
8
|
5
|
7
|
4.7
|
15
|
4.2 x 2.4 x 2.3
|
17
|
21.0
|
14.3
|
8
|
12
|
-
|
6.5
|
M2 x 2.5
|
1.7
|
2.8
|
890
|
1400
|
|
MR 5ML
|
6
|
3.5
|
5
|
3.5
|
15
|
3.5 x 2.4 x 1
|
12
|
19.6
|
13.5
|
7
|
-
|
-
|
4.5
|
M2.6 x 2.0
|
1.1
|
2
|
470
|
900
|
|
MR 5MN
|
6
|
3.5
|
5
|
3.5
|
15
|
3.5 x 2.4 x 1
|
12
|
16.1
|
10
|
-
|
8
|
-
|
4.5
|
M2 x 1.5
|
1.1
|
2
|
335
|
550
|
|
MR 3ML
|
4
|
2.5
|
3
|
2.6
|
10
|
M1.6
|
8
|
15.7
|
11
|
5.5
|
-
|
-
|
3.3
|
M2 x 1.1
|
-
|
1.5
|
295
|
575
|
|
MR 3MN
|
4
|
2.5
|
3
|
2.6
|
10
|
M1.6
|
8
|
11.4
|
6.7
|
3.5
|
-
|
-
|
3.3
|
M1.6 x 1.1
|
-
|
1.5
|
190
|
310
|
|
|
|
|
|
|
| |
| 1. MR-W Series |
|

|
|

|
| |
|
Çü ¹ø
|
Rail Dimensions (mm)
|
Block Dimensions(mm)
|
±âº»Á¤°ÝÇÏÁß
|
|
H
|
W2
|
W1
|
H1
|
P
|
P3
|
D x d x g1
|
W
|
L
|
L1
|
P1
|
P2
|
E
|
h2
|
M x g2
|
S
|
T
|
C(N)
|
Co(N)
|
|
MR 15WL
|
16
|
9
|
42
|
9.5
|
40
|
23
|
8 x 4.5 x 4.5
|
60
|
74.4
|
57.6
|
35
|
45
|
3.6
|
12
|
M4 x 4.5
|
3.5
|
4.5
|
6725
|
12580
|
|
MR 15WN
|
16
|
9
|
42
|
9.5
|
40
|
23
|
8 x 4.5 x4.5
|
60
|
55.7
|
38.5
|
20
|
45
|
3.6
|
12
|
M4 x 4.5
|
3.5
|
4.5
|
5065
|
8385
|
|
MR 12WL
|
14
|
8
|
24
|
8.5
|
40
|
-
|
8 x 4.5 x4.5
|
40
|
59.4
|
46
|
28
|
28
|
-
|
10
|
M3 x 3.5
|
3
|
4.5
|
4070
|
7800
|
|
MR 12WN
|
14
|
8
|
24
|
8.5
|
40
|
-
|
8 x 4.5 x4.5
|
40
|
44.5
|
31
|
15
|
28
|
-
|
10
|
M3 x 3.5
|
3
|
4.5
|
3065
|
5200
|
|
MR 9WL
|
12
|
6
|
18
|
7.5
|
30
|
-
|
6 x 3.5 x4.5
|
30
|
50.9
|
39.5
|
24
|
23
|
-
|
8.6
|
M3 x 3
|
2
|
4
|
2550
|
4990
|
|
MR 9WN
|
12
|
6
|
18
|
7.5
|
30
|
-
|
6 x 3.5 x4.5
|
30
|
39.2
|
27.4
|
12
|
21
|
-
|
8.6
|
M3 x 3
|
2
|
4
|
2030
|
3605
|
|
MR 7WL
|
9
|
5.5
|
14
|
5.2
|
30
|
-
|
6 x 3.5 x 3.5
|
25
|
40.6
|
30.1
|
19
|
19
|
-
|
7
|
M3 x 3
|
1.6
|
3.2
|
1570
|
3140
|
|
MR 7WN
|
9
|
5.5
|
14
|
5.2
|
30
|
-
|
6 x 3.5 x 3.5
|
25
|
31.6
|
21.2
|
10
|
19
|
-
|
7
|
M3 x 3
|
1.6
|
3.2
|
1180
|
2095
|
|
MR 5WL
|
6.5
|
3.5
|
10
|
4
|
20
|
-
|
5.5 x 3 x 1.6
|
17
|
27.4
|
21.2
|
11
|
13
|
-
|
5
|
M2.5 x1.5
|
1.1
|
2.3
|
615
|
1315
|
|
MR 5WN
|
6.5
|
3.5
|
10
|
4
|
20
|
-
|
5.5 x 3 x 1.6
|
17
|
21.2
|
15.0
|
6.5
|
13
|
-
|
5
|
M2.5 x1.5
|
1.1
|
2.3
|
475
|
900
|
|
MR5WLC
|
6.5
|
3.5
|
10
|
4
|
20
|
-
|
5.5 x 3 x 3
|
17
|
27.2
|
21.2
|
11
|
13
|
-
|
5
|
M3/M2.5x1.5
|
1.2
|
1.8
|
615
|
1315
|
|
MR5WNC
|
6.5
|
3.5
|
10
|
4
|
20
|
-
|
5.5 x 3 x 3
|
17
|
21.1
|
15.1
|
6.5
|
13
|
-
|
5
|
M3/M2.5x1.5
|
1.2
|
0.8
|
475
|
900
|
|
MR 3WL
|
4.5
|
3
|
6
|
2.6
|
15
|
-
|
4 x 2.4 x 1.5
|
12
|
20.1
|
15
|
8
|
-
|
-
|
3.5
|
M2 x1.6
|
0.8
|
1.8
|
370
|
800
|
|
MR 3WN
|
4.5
|
3
|
6
|
2.6
|
15
|
-
|
4 x 2.4 x 1.5
|
12
|
15.2
|
10
|
4.5
|
-
|
-
|
3.5
|
M2 x1.6
|
0.8
|
1.8
|
280
|
530
|
|
| |
|
|
|
¼¿ï½Ã ±¸·Î±¸ °æÀηΠ579 ¾È¼ººôµù Aµ¿ 113È£ | ´ëÇ¥ : À̸í¼ö
»ç¾÷ÀÚµî·Ï¹øÈ£ : 113-08-39243 | Åë½ÅÆÇ¸Å¾÷½Å°í : ±¸·Î Á¦ 38È£
Tel : 02-2683-4825~6 Fax : 02-6442-4827 / 02-2683-4810 Contact us : yuil@yuilfa.com
|
|